Aim:- To design a battery pack
Objectives:-
1)design a battery pack with 18kWh capacity
2)to know about high performance litium iron phospate battery
Theory

Depending upon form factor litium ion cells are classified as

2.Priesmatic cell

3. pouch cell

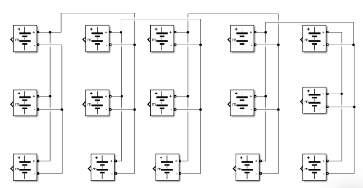
when we are connecting a battery with end to end connection i.e positive terminal of one battery is connected to negative terminal of other battery and neagtive terminal on one battery to positive terminal of other battery the connection form is a series connection
in series connection the resultant voltage of battery pack is the sum of voltages of individual battery and current is constant i.e no change in current.
eg nominal voltage of battery pack =no. of cells in series *nominal voltage of cell

2. PARALLEL CONNECTIONS
when positive terminal is conected to positive terminal of other cell and negative terminal of other cell is connected to negatve terminal of cell then this type of connection is called as parrellel connection. i this connection current adds up while voltage remains constant
i.e Rated capacity of battery pack=no of cells in parallel*rated capacity of cell

A lithium iron phospate battery delevers high power and energy density combined with excellent safety, performance and extensive life cyclweing in a lighter weight and more compact packages .

As per manufacturers data sheet cell has following specifications

Vehichle sector demands safety and reliablity of a vehicle . Lithium ion batterys are more affected by traction ,Vibrations caused due to vehicle moment and thermal run away. these incapabilities can be reduced by designining a robust battery pack which allows cooling and isolating the vibrations
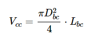
Based on the manufacturers data sheet we can calculate energy content,volume,gravimetric density and volumetric density.

where Dbc=26mm=0.026m
Lbc=65mm=0.065m
substituting values in above equation
The volume of cell is 0.0345m^3
where Cbc=2.5
Ubc=3.3V
substituting values in above equation
Ebc=2.5*3.3
Ebc=8.25W
The energy of unit battery cell is 8.25W

Ebc=8.25
Vcc=0.0345
substituting these values in above equation
uV=8.25/0.0345=239.13Wh/m^2
The volumetric energy density is 239.13Wh/m^2

uG=8.25/0.076=108.55Wh/kg
The gavavemetric energy density is 108.55Wh/kg

Let us assume that nominal battery pack voltage is 360 v
Ubc=3.3v
substituting these values in above equation
Ncs=360/3.3=110 cells
The number of cells connected in series are 110
It is the product of number of cells connected in series and energy of battery cell.

Ebs=110*8.25=907.5Wh
The energy content in a string is 907.5Wh

Nsb=18000/907.5=20 strings
i.e no of strings connected in parallel is 20
The number of cells connected in parallel are 20
We can again calculate the battery pack total energy( Eb) as a product between number of string and energy content of each cell (Es) in Wh
Eb=20*907.5=18150Wh

=20*2.5=50Ah
The battery pack capacity is 50Ah
Nb=Ns*Np
=110*20=2200 cells
The total number of cells required to design a battery pack of 18 Kw are 2200
the size and mass of the high voltage battery are very important parameters to be considered while designing a battery electric vehicle.In this example we are going to consider only battery cells .in reality other factors are also considered such as electronic circuits,cooling circuit,battery caseing ,wireing.
Mb=Nb*mc
=2200*0.076=167.2kg
The weight of battery pack is 167.2 kg
Vb=2200*0.0345=75.9m^3
The volume of battery pack is 75.9m^3
Battery dimensions
=number of cells*(cell diameter+margin at both the side of a cell)+cleareance
=110*(26+4)+60
L=3360mm
2. Breadth of the caseing
breadth=number of cells *(cell diameter+margin at both side of cell)+cleareance
B=20*(26+4)+60
B=660mm
3. Height of the caseing
height =height of cell+marging for wireing
H=65+35
H=100mm
RESULTS
The number of cells connected in series are 110
The number of cells connected in parallel are 20
The total number of cells required to design a battery pack of 18 Kw are 2200
The weight of battery pack is 167.2 kg
The volume of battery pack is 75.9m^3
Enclosure dimensions
Length=3360mm
Bredth=660mm
Height=100mm
Assembly of battery pack
1)2200 cells
2) Nickel strip for cell conections
3)PVC heat sink film
4)spot welder
5)connectors
6)cell holder
7)solder wire
Step 1
take a cell golder block and snap it according number of to parallel and series connected cells. the figure below shows cell holder

Step 2
place the cells in a holder matrix

Step 3-
now we are going to connect the cells with nickel strips useing spot welding process. the series connection is made by connecting the positive terminals to negative terminal of other cell while parallel connection is made by connecting positive terminals together and negative terminals together.

Step 4
Connecting the complete matrix of the cell together
Step-5
connecting the heat sink to the battery pack

now all internal connections are connected as per connections ,battery pack is assembeled
Step 5-
Connect the balanceing wire pin to the BMS

Step 6-
Enclose all the components such as Battery pack , BMS module inside enclosure.

REFRENCES
1)EV design – battery calculation – x-engineer.org
Conclusion
In this way we had designed a battery pack